串馈天线阵列设计:一种先验知识指导的元单元建模和阵列智能综合方法
摘要:串馈天线阵列设计的复杂度会随着阵元数目的上升急剧增加。对于毫米波串馈天线阵列,如果采用理想天线阵元近似会使性能恶化,而采用全波电磁仿真方法则会陷入非常耗时的迭代过程。本文提出了一种先验知识指导的基元建模方法和机器学习辅助的串馈天线阵列综合方法,大幅度降低训练和预测的时间同时提升预测精度。
一、研究背景
微带串馈天线阵列(Series-Fed Microstrip Antenna Array,SFMAA)由于其低剖面、低成本、低馈线损耗等优点,在无线通信、雷达等领域得到了广泛应用。微带串馈天线阵列综合问题的复杂度会随着阵元个数的上升快速增加。传统的依靠理想天线的方法和全波电磁仿真的方法会陷入性能恶化或耗时的迭代过程。采用机器学习辅助优化的智能设计方法会面临“维数灾难”,导致训练和预测时间的增加以及预测精度的下降。
本文提出了一种先验知识指导的基单元建模(Base Element Modeling,BEM)方法和机器学习辅助的微带串馈阵列综合方法。分析不同位置和尺寸的BE在串馈微带阵列中的相似性,将BE分为不同的种类。引入余弦域训练方法降低计算开销。利用阵列综合、微波网络级联与机器学习辅助优化的方法对SFMAA进行智能设计。先验知识指导与数据驱动的混合方法有利于加速综合过程,降低训练和预测的时间的同时提升精度。
二、基单元建模

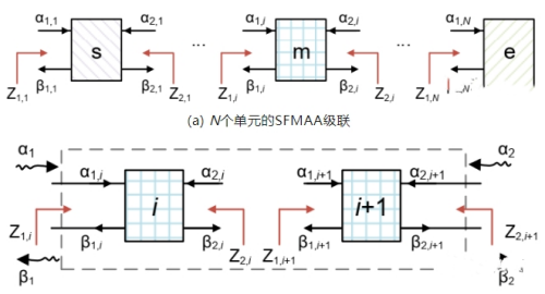
图1、SFMAA和BE的示意图
SFMAA和BE的示意图如图1所示。传统的数据驱动阵列设计参数建模(Array Design Parameter Modeling,ADPM)需要大量的训练样本,此外,训练和预测时间是不可忽略的。N单元的SFMAA有3N+2个设计变量。由于“维数灾难”,初始样本的数量会随设计变量的增加呈指数增长,初始样本的获取是耗时的。为解决这个问题,本文采用了“分而治之”的策略。由于SFMAA的单元在阵列中重复出现,这些单元可以被三种类型的基单元(Base element,BE)表征:起始单元(基单元s,标号:1)、中间单元(基单元m,标号:2~N-1)和末端单元(基单元e,标号:N)。每种基单元可视为一端口或二端口网络,N元微带串馈天线阵列可视为1个基单元s、N-2个基单元m和1个基单元e级联得到。与整个阵列相比,基于BE建模有更少的设计参数和更低的复杂度,极大地降低了获取初始样本的时间。利用机器学习算法对每种类型BE的S参数和方向图分别训练,得到计算复杂度较低的代理模型。在给出阵列的结构参数后,通过BE的代理模型能够预测并近似得到阵列的S参数和方向图,继而对串馈阵列进行设计。BEM的流程图如图3(b)所示,具体步骤包括:
(1)采样:利用拉丁超立方采样的方法,对三种类型的BE分别采样,利用全波仿真软件对每种BE进行仿真,得到BE的S参数和方向图;
(2)训练:BE的结构参数以及频率作为机器学习的输入参数,S参数作为输出参数,利用机器学习算法训练得到S参数的代理模型;分别对BE方向图的实部和虚部进行离散余弦变换(Discrete Cosine Transform,DCT),BE的结构参数作为机器学习的输入参数,变换后前Na个系数作为输出参数,利用机器学习算法得到方向图的代理模型;
(3)计算S参数:确定阵列的结构参数后,利用步骤(2)中的代理模型预测得到相应BE的S参数,N单元SFMAA可视为N-1个二端口网络和1个一端口网络,如图2(a)所示。以图2(b)两个二端口网络级联为例,单元i与单元i+1的级联视为二端口网络i与二端口网络i+1的级联,通过递归运算得到阵列的S参数。
(4)方向图的计算:利用步骤(2)中的代理模型预测得到BE的方向图DCT系数,经过补0并作离散余弦逆变换后得到BE的方向图。

(b) 二端口网络级联
图2、SFMAA的微波网络级联示意图

(a) ADPM

(b) BEM

(c) AAI

(d) 余弦域方向图训练
图3、采用ADPM、BEM、对全部角度信息(All-angle information,AAI)训练、余弦域训练的流程图
三、实验验证
通过14单元串馈天线阵列余割平方方向图综合的例子说明所提方法的有效性和优越性。同时要求76-77GHz频带内的|S11|<-10dB,[-150°, -5°]与[35°, 150°]区域的旁瓣电平(Side-lobe level,SLL)小于-20dB。此外要求过渡区域[-5°, 0°]与[30°, 35°]没有旁瓣。本例在29.04小时得到符合要求的设计,其中采样时间为6.87小时,训练需要5.53秒,优化时间为5.29小时,仿真验证的时间为16.88小时。采用本文所提方案的天线阵列如图4所示,采用微带-鳍线-波导的转接结构满足毫米波测试要求。阵列的仿真与测试结果如图5所示,仿真和测试的数据吻合良好。

(a) 天线阵列及结构件

(b) S参数测试环境

(c) 远场方向图测试环境
图4、微带串馈天线阵列实物图

(a) S参数

(b) E面方向图

(c) H面方向图
图5、14单元串馈天线阵列余割平方方向图的仿真与测试结果对比
四、研究结论
针对串馈天线阵列设计所面临的问题,本文提出了一种先验知识指导的元单元建模和阵列智能综合方法。利用三种类型的BE来表征SFMAA。对每种类型的BE独立采样和训练,显著降低了计算成本。为了降低BE方向图的计算成本引入了DCT,与传统的对所有角度信息进行训练的方法相比,在变换域进行训练和预测极大地节省了计算开销,而预测精度不相上下。通过使用网络级联和阵列合成的BEM方法近似SFMAA的电性能,从而大大降低了SFMAA设计的复杂度。通过三种串馈天线阵列原型实测验证了所提方法的有效性。
【论文信息】
W. Q. Chen, Q. Wu, J. H. Wei, C. Yu, H. M. Wang, and W. Hong, “Knowledge-guided and machine learning-assisted synthesis for series-fed microstrip antenna arrays using base element modeling,” IEEE Trans. Antennas Propag., Early Access, DOI: 10.1109/TAP.2023.3341226, Dec. 2023.










关注微博
关注微信
关注公众号
关注抖音号